
Section Properties
Analyse properties of cross-sections by importing DWG/DXF files.
The tool calculates warping and plastic properties.
The calculator handles both thin-walled and solid sections.
Community

Square

Square Diamond

Rectangle

Rotated Rectangle

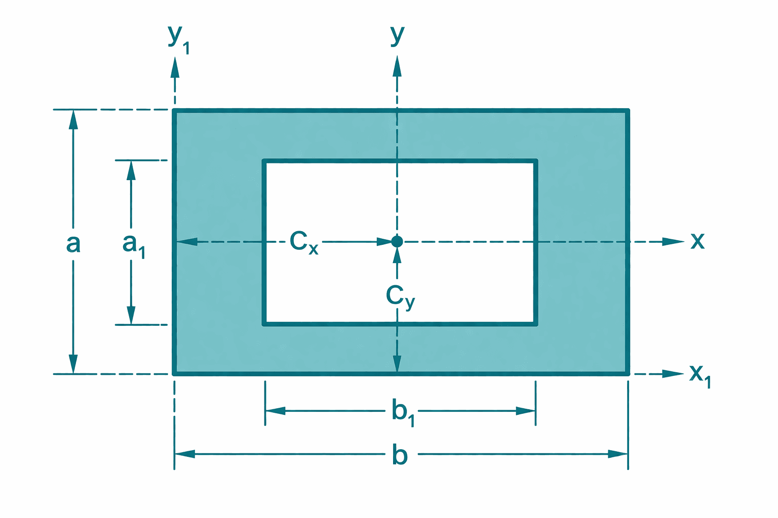
Hollow Rectangle

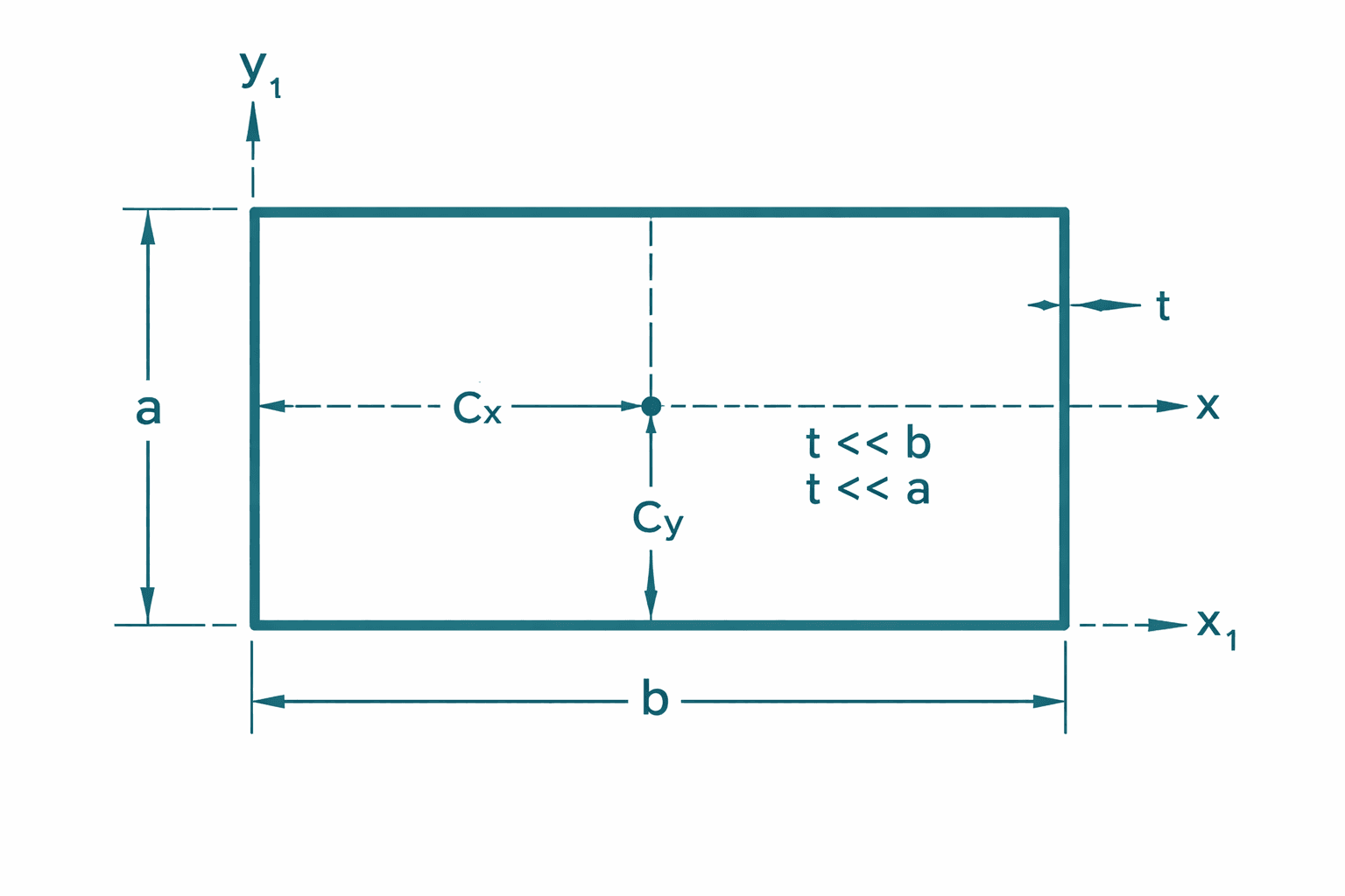
Thin Walled Rectangle

Isosceles Trapezoid

General Trapezoid

Triangle

Circle

Thin Walled Circle

Hollow Circle

Half Circle

Circle Quarter

Circle Sector

Circle Segment

Hexagon

Octagon

Polygon

Oval

Hollow Oval

Elliptical Half

Elliptical Quadrant

Parabolic Area

Parabolic Area Half

Square I-Beam

Tapered I-Beam

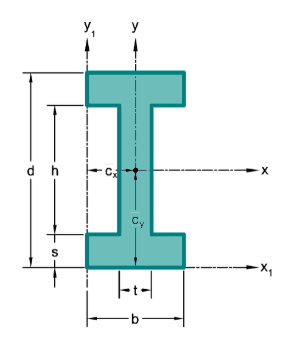
Unequal I-Beam

Square Channel

Tapered Channel

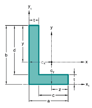
Square Tee Beam

Tapered Tee Beam

Square Angle

Rectangular Angle

Zed Beam

Cross